Ga direct naar de hoofdinhoud
Home
»
electrisch schema
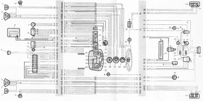
Elektrisch schema fiat 126
Fiat 126
Home
geschiedenis
Fiat Forum
gemaakte modellen
Fiat 126 A
Fiat 126 P4
Fiat 126 E
Fiat 126 Bis
Fiat 126 EL
Fiat 126 Happy End
Fiat 126 Specials
foto album
Toevallig bij uitgekomen
nieuwe velgen !!
overige 126
overige 126.
gespot
Foto`s evenementen
2011
Ledenvergadering 20-2-2011
Scherpenheuvel 10-4-2011
Maaslandrit 17-4-2011
Classic Summer Meet
18-5-2011
25-5-2011
1-6-2011
8-6-2011
15-6-2011
6-7-2011
27-7-2011
24-8-2011
7-9-2011
14-9-2011
21-9-2011
28-9-2011
Classics Day 2011
het 3 landenpunt 26-6 2011
Oldimama 3-7-2011
Tuningnight V @ Meeuwen 9-7-2011
Sittard Klassiek 4-9-2011
Cruise in Burger King Kerkrade 29-9-2011
IMCCS 2011
Essen Motorshow 2011
2012
Race Wars Zolder 15-4-2012
Classics-Day Editie 2
Classic Summer Meet 2012
2-5-2012
16-5-2012
23-5-2012
6-6-2012
18-7-2012
25-7-2012
verlagen van een Fiat 126
filmpjes
technische gegevens
electrisch schema
reactie plaatsen
contact
Linkpartners